Welcome to our websites!

Cast Steel Y Strainer

Short Description:

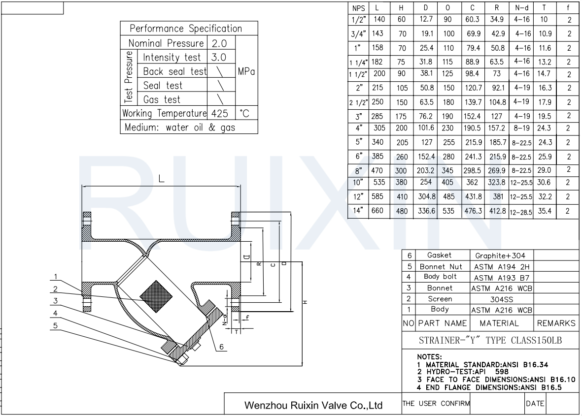
Size 1/2  - 24
Pressure 150LB-300LB
End Connection Flange (FLG) RF
Bore Standard Bore
Body Material Cast Steel , Stainless Steel, Alloy Steel
Mesh Material Stainless Steel, Alloy Steel
Design ASME B16.34
End Flange 2”-24” to ANSI B16.5 / 26”-48” to MSS SP-44 /API 605
Checking & Test API 598
Pressure-Temperature ASME B16.34

Product Detail

Product Tags

Features

● Y Type
● Bonnet Cover
● Perforated Stainless Steel Screen
● Temperature: -20℃ - 232℃

How to install Y Strainer

Cast Steel Y Strainer  (1)

Step 1: Install the blow-down valve (if necessary) at the blow-off connection.
Step 2: To ensure maximum efficiency, install a pressure gauge at the inlet and outlet.
Step 3: The Y strainer needs to be positioned in the pipeline ahead of any equipment that requires protection. For example, if it is the pump that is requiring protection, the Y strainer should be placed on the suction side of the pump.
Step 4: Before you put the Y strainer in place, support the existing pipeline with pipe supports near the inlet and outlet connection.
Step 5: The wye side of the strainer must be pointed downward. Ensure there is ample space at the wye side of the strainer for screen removal.
Step 6: Place the Y strainer into the pipeline, ensuring that the flow arrow on the body of the Y strainer is pointing in the direction of the pipeline flow.

Cast Steel Y Strainer  (2)

Y strainers filter out solids by using a perforated or wire mesh strainer. They are most frequently used in pressurized lines for gas, steam, or liquid. While it is most common to see Y strainers installed horizontally, they can be installed vertically as well. Ensuring proper vertical installation of Y strainers involves understanding where in the pipeline the strainer should be placed, making sure there’s room for screen removal during clean outs, and, most importantly, aligning the arrow on the strainer with the pipeline flow.

More Information

Payment Term L/C, T/T, Western Union,Paypal
Delivery Time 15 - 30 days after payment
Seaport Shanghai Or Ningbo China
The 3rd Inspection Available
Sample Available for Cast Steel Y Strainer
Warranty Period 18 months after shipments and 12 months after installed
Valve Test 100% quantity tested before delivery
Packing Plywood Case for Cast Steel Y Strainer
MOQ 1 Pc for Cast Steel Y Strainer
Nameplate According to customer for Cast Steel Y Strainer
Color According to customer for Cast Steel Y Strainer
Shipment By sea,By Air ,By Express,and door to door available
OEM/ODM Service Available

For almost 10 years, RXVAL has continually committed itself to offer the best Cast Steel Y Strainer products to meet a wide range of applications and requirements.

As an valve manufacturer, RXVAL has your perfect Cast Steel Y Strainer solution. Our success in the valves industry is attributed to our customer-centric team of sales personnel, engineers, workers and after-service staff that are collectively committed to providing quality products at a price you would come to expect.


  • Previous:
  • Next:

  • Write your message here and send it to us